
El LM358 IC sirve como un amplificador operacional dual, que incorpora dos amplificadores operacionales distintos que utilizan una fuente de energía común.Esta configuración es paralela a la mitad del LM324, que funciona con cuatro amplificadores operacionales alimentados por una sola entrada de energía.La brillantez de LM358 se encuentra en sus dos amplificadores de alta ganancia de funcionamiento independiente acompañados de compensación de frecuencia fija internamente.Hábilmente puente en los sistemas de suministro único y múltiple, el LM358 se integra perfectamente en configuraciones de suministro único, mejorando su atractivo para una miríada de diseños de circuitos.
Hecho a mano para acomodar un gran espectro de suministro de voltaje, el LM358 funciona de manera eficiente dentro del rango de 3V a 32 V.Dicha versatilidad promete un rendimiento firme en contextos electrónicos variados.El amplio rango operativo sugiere una utilidad particular en dispositivos con batería.El LM358 presenta una corriente inactiva casi una quinta parte del MC1741 por amplificador, lo que subraya su competencia en aplicaciones de baja potencia.
El LM358 gana su lugar como una opción favorecida debido a su destreza en la gestión de diversas condiciones de entrada al tiempo que mantiene un rendimiento consistente.Su capacidad de voltaje de entrada expansiva, que alcanza el riel de potencia negativa, garantiza la adaptabilidad en escenarios de carga de cambio, lo que demuestra que se beneficia en aplicaciones como el acondicionamiento de señal del sensor, los filtros activos y otros esfuerzos de procesamiento de señal analógicas.El diseño elimina la necesidad de piezas de polarización externa, racionalización de diseños de circuitos y minimizando la duración del ensamblaje, mejorando la confiabilidad y la usabilidad en los campos como el automotriz y la electrónica.

|
Pin No. |
Nombre |
Descripción |
|
1 |
Salir a |
Salida del primer amplificador operativo. |
|
2 |
Entrada invertida a |
Entrada invertida del primer amplificador operativo. |
|
3 |
Entrada no inversa a |
Entrada no inversa del primer amplificador operativo. |
|
4 |
Tierra (GND) |
Suministro terrestre o negativo para los amplificadores operativos. |
|
5 |
Entrada no inversa B |
Entrada no inversa del segundo amplificador operativo. |
|
6 |
Entrada invertida B |
Entrada invertida del segundo amplificador operativo. |
|
7 |
Salida B |
Salida del segundo amplificador operativo. |
|
8 |
VCC |
Suministro de voltaje positivo para ambos amplificadores operativos. |
• Amplificadores operativos duales: El LM358 incluye dos amplificadores operativos en un chip, lo que lo hace útil para muchas aplicaciones.
• Amplio rango de suministro de energía: Funciona con suministros únicos de 3V a 32 V o suministros duales de ± 1.5V a ± 16V, lo que permite flexibilidad en los requisitos de voltaje.
• Ganancia de alto voltaje: Ofrece una ganancia de voltaje de aproximadamente 100 dB, ideal para amplificar señales débiles.
•1 MHz ancho de banda: Maneja señales de frecuencia más altas de manera eficiente.
• Bajo consumo de energía: Dibuja solo 700 µA de corriente de suministro, ahorrando energía.
• Swing de voltaje de salida ancho: Emite señales que cubren un gran rango de voltaje, cerca de los límites de suministro.
• Flexibilidad de voltaje de entrada: El rango de voltaje de entrada diferencial coincide con el voltaje de la fuente de alimentación, aumentando la compatibilidad.
• Protección contra cortocircuitos : La salida está protegida del daño durante los circuitos cortos.
• Compensación de frecuencia interna: Incluye una compensación incorporada, por lo que los componentes externos son innecesarios para la ganancia de la unidad.
• Voltaje de modo común a tierra: Maneja los voltajes de entrada que se reducen a tierra, reduciendo la necesidad de sesgos adicionales.
• Corrientes de sesgo de entrada baja: Requiere una corriente de polarización de entrada mínima, asegurando un funcionamiento estable.
• Soporte de suministro único o dual: Funciona con suministros de sola y dual para una mayor versatilidad.
• Temperatura de funcionamiento estándar: Funciona de manera confiable en temperaturas de 0 ° C a 70 ° C.
• Alta tolerancia a la temperatura de soldadura: Se cuestiona la soldadura de hasta 260 ° C, lo que facilita el ensamblaje.
• Opciones de paquetes múltiples: Viene en formatos de 99, CDIP, SOIC, PDIP y DSBGA para diferentes necesidades de diseño.
• Protección de ESD: La protección de descarga electrostática incorporada en los pasadores de entrada aumenta la durabilidad.
Este intrincado diseño de circuito se centra en la detección de señales infrarrojas emitidas, activando una alarma de audio cuando una persona entra en un área de monitoreo predefinido.El sistema consta de un sensor infrarrojo, un amplificador de señal, un comparador de voltaje, mecanismos de retraso y un dispositivo de notificación de audio.El objetivo principal es mejorar y analizar la entrada del sensor para provocar una alarma después de un período de retraso específico, ignorando perturbaciones cortas e inofensivas.Al incorporar consideraciones como la temperatura ambiental y las posibles falsas alarmas, esta configuración mejora la confiabilidad en diversas condiciones.

Circuito LM358: alarma de detección de infrarrojos
Al abordar obstáculos, como la falla de los problemas de detección de bajo voltaje e interferencia con la entrada de AD directa, el circuito de detección de alta gama proporciona un remedio sofisticado.Esta configuración ofrece una salida estable, asegurando la recepción de señal clara sin salidas erróneas en ausencia de corriente.Mediante el uso de sistemas de retroalimentación y las etapas de filtrado de ingeniería con precisión, estos circuitos facilitan la evaluación de corriente precisa en rangos extensos, para tareas donde se busca alta precisión.

Circuito LM358: detección de corriente de alta gama

Circuito LM358: filtro activo RC de paso bajo acoplado a CC

Circuito LM358: filtro de paso de banda activo RC

Circuito LM358: Generador de onda cuadrada
El LM358 es un circuito integrado versátil que funciona como un amplificador operativo y un comparador.Funciona en un amplio rango de voltaje de entrada, con el pin 8 como entrada de potencia.Como comparador, funciona con 3V a 32 V, mientras que como un amplificador operacional, maneja ± 1.5V a ± 16V.En modo comparador, el LM358 compara voltajes entre dos pines y salidas altas o bajas en función de la diferencia.Esto simplifica tareas como el monitoreo de voltaje o la detección de cruce cero sin componentes adicionales, como resistencias de pull-up.Se usa comúnmente en sistemas como la gestión de energía por su respuesta rápida y simplicidad.
En el modo OP-AMP, el LM358 amplifica los voltajes de entrada diferenciales y admite tareas como el procesamiento de audio y la mejora de la señal del sensor.Sus dos canales permiten el procesamiento simultáneo de señales, haciendo que los circuitos sean más eficientes y compactos.Esto es útil para aplicaciones como el filtrado y la regulación de voltaje.El LM358 es elogiado por su confiabilidad, tolerancia a la temperatura amplia y facilidad de uso.Su capacidad para cambiar sin problemas entre las funciones lo convierte en un favorito para buscar diseños simples y robustos.A medida que crece la demanda de IC multifuncionales, el LM358 sigue siendo una opción popular para reducir la complejidad del circuito y mejorar el rendimiento.
El amplificador operativo LM358 incluye dos amplificadores operacionales compensados internamente dentro de una sola carcasa.Esta configuración de doble amplificador operacional permite la opción de emplear ambos amplificadores al mismo tiempo o por separado, proporcionando una profundidad de adaptabilidad en las tareas de diseño.La ausencia de un requisito para suministros de doble energía hace que el diseño del circuito sea más sencillo y reduce la complejidad y el costo de los componentes.
Un aspecto notable es su capacidad para detectar directamente el potencial cercano a tierra, lo que expande el espectro de posibles usos.Esto hace que el LM358 sea altamente efectivo en contextos que exigen una detección de señal de bajo nivel precisa.En aplicaciones tangibles, ha aprovechado esta capacidad para ajustar la precisión de las interfaces de los sensores, lo que con frecuencia conduce a sistemas que infunden confianza a través de una mayor confiabilidad.
El LM358 se integra suavemente con todas las familias lógicas, asegurando un ajuste sin esfuerzo en varios sistemas electrónicos.Su extensa compatibilidad lo convierte en una opción preferida en una variedad de proyectos, ya sean analógicos o de señal mixta.En consecuencia, cuando se enfrentan a la tarea de desarrollar equipos que requieran interacción entre entradas analógicas y circuitos digitales, a menudo ven la compatibilidad del LM358 como un activo valioso, simplificando lo que de otro modo podría ser un proceso desalentador.
El LM358 demuestra una eficiencia notable en contextos operados por baterías.Su bajo consumo de energía prolonga la duración de la batería, por lo que es una opción solicitada para aplicaciones portátiles o remotas donde la conservación de energía es una gran consideración.El amplificador operacional LM358 navega efectivamente en varios obstáculos en el diseño de circuitos, cubriendo aspectos desde la adaptabilidad e integración hasta la eficiencia energética.Su capacidad sutil de detectar justo por encima del suelo sin problemas de suministro de energía, junto con su extensa compatibilidad, proporciona soluciones prácticas y tranquilizadoras en múltiples ámbitos de diseño electrónico.
• LM324
• LM158
• LM258
• LM2904
• LM2409
• GL358
• NE532
• OP04
• OP221
• OP290
• OP295
• OPA2237
• TA75358-P
• UPC358C
• AN6561
• CA358E
• HA17904
El LM358 demuestra una capacidad impresionante para funcionar de manera efectiva dentro de los bloques de ganancia de CC, estableciéndose como un elemento clave en diversos circuitos electrónicos.Estos bloques de ganancias son fundamentales para amplificar las señales de bajo nivel sin necesidad de una fuente de alimentación dual, aliviando las complejidades del diseño del circuito y la oferta de beneficios de costos.Especialmente en las etapas iniciales del procesamiento de la señal, dicha funcionalidad resulta invaluable para las necesidades de amplificación precisas.Al optimizar los niveles de ganancia cuidadosamente, los circuitos pueden alcanzar la intensidad prevista de la señal necesaria para la manipulación posterior o el análisis detallado.La experimentación y la personalización regular en los entornos de ganancia han demostrado producir un rendimiento mejorado en aplicaciones electrónicas, revelando nuevas capas de potencial.
Dentro de los multímetros digitales, la configuración del amplificador operacional dual del LM358 presta la precisión indispensable para evaluaciones precisas de voltaje y corriente.Su capacidad para manejar con precisión la amplificación de la señal de CA y DC contribuye enormemente a la adaptabilidad del multímetro.Tal funcionamiento garantiza la confiabilidad de las lecturas, un aspecto profundamente entrelazado con el diagnóstico de complejidades eléctricas y los diseños de circuitos de validación.
Cuando se integra en osciloscopios, el LM358 es excelente en la integridad de la señal de confección a través de una ganancia estable en múltiples frecuencias.Es necesario amplificar las señales para mejorar la visualización en la pantalla del osciloscopio.Durante los análisis de forma de onda complejos, la importancia de la confiabilidad no puede exagerarse, ya que la más mínima distorsión podría producir interpretaciones engañosas.Se ha observado con frecuencia que incluir las etapas de amortiguación puede aumentar la claridad y la resolución de la señal, ampliando las posibilidades en el análisis de señales.
Para los procesos de acondicionamiento de señales, el LM358 es bueno para transformar con precisión las salidas de sensores para satisfacer diversas necesidades del sistema de adquisición de datos.Altera la amplitud, traduce los formatos de señal y filtra el ruido, estableciendo el escenario para el procesamiento de datos posterior.Emplear el LM358 consistentemente en el acondicionamiento de la señal ha mostrado mejoras notables en la calidad de la señal, elevando la precisión de los datos analizados y los resultados resultantes.
En la configuración del transductor, el LM358 se emplea para su adeptura en la amplificación de señales débiles de sensores variados.Esta amplificación es importante para traducir fenómenos físicos en señales eléctricas medibles.
La configuración de los transmisores de bucle de corriente realiza ventajas de la competencia del LM358 en la conversión de las salidas del sensor en señales de corriente estandarizadas, adecuadas para la transmisión de larga distancia.Esta transformación contiene contextos industriales, donde el mantenimiento de la integridad de la señal en extensas ejecuciones de cable es de mayor preocupación.La estabilidad de la transmisión mejorada a menudo se realiza combinando técnicas de protección de blindaje y adecuadas con el LM358, un rasgo valorado en las aplicaciones de campo.
La adaptabilidad del LM358 se extiende en roles como filtros activos y comparadores.En los filtros activos, permite la manipulación de frecuencia selectiva para sistemas de comunicación variados.Al funcionar como comparador, ofrece respuestas de conmutación rápida para circuitos digitales.Los ajustes personalizados en estas aplicaciones a menudo conducen a una mayor eficiencia y una interrupción de la señal minimizada.El amplio espectro de aplicaciones de la LM358 destaca su adaptabilidad y confiabilidad.
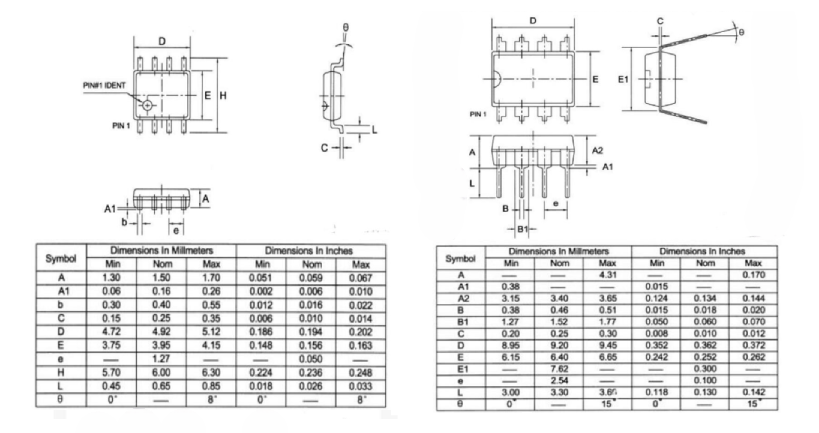
|
Paquete |
Dimensión |
Unidad |
|
DSBGA (8) |
1.31 x 1.31 |
mm |
|
PDIP (8) |
1.91 x 6.35 |
mm |
|
To-Can (8) |
9.08 x 9.31 |
mm |
|
Soic (8) |
4.90 x 3.91 |
mm |

Paquete LM358
Envíe una consulta, responderemos de inmediato.
El LM358 encuentra un uso frecuente como un amplificador de transductor y un bloque para la ganancia de CC, lo que ofrece una impresionante ganancia de voltaje de CC de aproximadamente 100dB.Su capacidad es evidente en su alojamiento para diferentes configuraciones de la fuente de alimentación y su amplio rango de voltaje de salida.Esta versatilidad permite utilizarlo en varios contextos, ya sea en la electrónica de consumo o los sistemas de medición industrial, donde su flexibilidad se alinea bien con las demandas de consistencia y adaptabilidad.
Al examinar el LM358 junto con el LM741, el LM358 se destaca como un amplificador operativo de baja potencia, en contraste con el papel de LM741 como comparador de voltaje.La eficiencia del LM358 lo hace muy adecuado para dispositivos con batería.Esta diferencia trasciende las especificaciones teóricas e ilumina la importancia del consumo de energía en la elección de componentes, particularmente en aplicaciones como dispositivos médicos portátiles y sensores remotos.
A pesar de compartir muchos parámetros, la intercambiabilidad de LM324 y LM358 en circuitos requiere cierta atención a las modificaciones del circuito.El LM358 se selecciona con frecuencia por su facilidad de integración en diseños más simples.La decisión entre estas opciones a menudo puede depender de requisitos específicos de un proyecto, como limitaciones en el espacio de la junta o el deseo de minimizar el rediseño.
Si bien es similar, el LM358S ofrece un rendimiento mejorado, lo que lo hace adecuado para aplicaciones que exigen precisión y velocidad.El LM358S muestra sus ventajas en sistemas de alta frecuencia o que cambian rápidamente, proporcionando una ventaja distintiva en el desarrollo de soluciones de vanguardia.
El LM258 se caracteriza por la calidad de grado industrial, superado por el rendimiento del LM358 de grado comercial.Otros a menudo optan por el LM258 en escenarios que requieren una mayor fiabilidad y longevidad.Esta parte es ventajosa en entornos que exigen solidez, como la automatización industrial o entornos desafiantes, lo que subraya su papel en aplicaciones de alta demanda.
en 27/11/2024
en 26/11/2024
en 18/04/8000 147757
en 18/04/2000 111931
en 18/04/1600 111349
en 18/04/0400 83718
en 01/01/1970 79508
en 01/01/1970 66880
en 01/01/1970 63010
en 01/01/1970 62971
en 01/01/1970 54081
en 01/01/1970 52106