
El contador decimal codificado por binario (BCD) sigue siendo una piedra angular en la electrónica digital.Es experto en contar dígitos decimales hasta diez, restableciendo automáticamente con cada pulso de reloj.Las salidas únicas de 0000 a 1001 en formato binario se generan con precisión, que ilustran su contribución a la eficiencia del sistema.El IC 7490 es un circuito integrado detallado específicamente diseñado para el conteo decimal, asegurando la operación perfecta de los circuitos electrónicos.

Los contadores de BCD encuentran su lugar en innumerables aplicaciones, incluidos relojes digitales, odómetros y calculadoras.En escenarios que requieren una representación precisa de números decimales en formas binarias, tales contadores se destacan al facilitar la conversión a formatos fácilmente entendidos.Como los contadores BCD se utilizan en los sistemas y dispositivos de control que exigen una representación numérica precisa, una apreciación más profunda de su practicidad surge a través del uso diario.
El IC 7490 marca un paso notable en el diseño digital, promoviendo transiciones perfectas y un rendimiento robusto en las tareas de conteo.Los ingenieros tienen su adaptabilidad en alta estima, especialmente cuando trabajan en complejos electrónicos, debido a su manejo versátil de varias funciones de conteo.Esta eficiencia en la operación lo convierte en una opción favorecida para elaborar sistemas digitales donde la precisión y la confiabilidad tienen un valor significativo.
Beer 7490 es un circuito integrado sofisticado diseñado como un contador de décadas de 4 bits.En esencia, utiliza un mecanismo de transporte de ondas y presenta una serie de chanclas maestras/esclavas interconectadas.El circuito se organiza ingeniosamente en dos segmentos funcionales distintos: uno que facilita una operación divide por dos y la otra una operación divide por cinco.Esta configuración dual responde a diferentes frecuencias de reloj, lo que resulta en transiciones de estado dinámico con cada pulso de reloj.Tal enfoque estructural permite capacidades de conteo versátiles, abriendo vías para implementaciones digitales intrincadas.
El marco único de doble sección del IC le permite explorar una variedad de aplicaciones de conteo digital.Abrazando las funcionalidades divididas por dos y divide por cinco, puede adaptar rangos de conteo utilizando diseños lógicos complejos.Esta adaptabilidad resulta ventajosa en las aplicaciones que involucran la división de frecuencia, por lo que es un activo valioso en relojes, contadores de frecuencia y circuitos relacionados.A menudo puede superar los límites de sus características, luchando por un rendimiento optimizado en esfuerzos de conteo sincrónicos y asíncronos.

|
Pin No. |
Nombre |
Descripción |
|
1 |
CLKB |
Entrada de reloj 2 |
|
2 |
R1 |
Restablecer 1 |
|
3 |
R2 |
Restablecer 2 |
|
4 |
CAROLINA DEL NORTE |
No conectado |
|
5 |
VCC |
Entrada de suministro positivo |
|
6 |
R3 |
Restablecer 3 |
|
7 |
R4 |
Restablecer 4 |
|
8 |
Chabolla |
Pin de salida 3 |
|
9 |
QB |
Pin de salida 2 |
|
10 |
Gnd |
Suelo |
|
11 |
QD |
Pin de salida 4 |
|
12 |
QA |
Pin de salida 1 |
|
13 |
CAROLINA DEL NORTE |
No conectado |
|
14 |
Clka |
Entrada del reloj 1 |
La siguiente tabla presenta la tabla de verdad para la década IC 7490 encimera.Como se demostró, el contador progresa secuencialmente a través de los estados de 0 a 9, momento en el que se restablece automáticamente y comienza un nuevo contado ciclo.

|
Característica/especificación |
Descripción |
|
Disipación de potencia |
Aproximadamente 145 miliwatios |
|
Frecuencia de conteo |
Opera a 42 megahertz |
|
Modos de conteo |
Ofrece varios modos de conteo |
|
Diodos de abrazadera de entrada |
Restringe el impacto de la terminación de alta velocidad |
|
Voltaje de suministro |
Opera dentro de un voltaje de suministro de 5 voltios |
|
Rango de temperatura ambiente |
Funcional de -55 ° C a 125 ° C |

El IC 7490 está diseñado con una serie de cuatro chanclas JK de esclavo maestro conectados cohesivamente, formando el núcleo de su esquema operativo.El inicio de esta secuencia comienza con una flip-flop energizada por el pasador CLKA, allanando el camino para las chanclas posteriores que se maniobran a través del pin CLKB, orquestando una progresión de señal armoniosa y secuencial.

El diagrama estructural del IC 7490 muestra sus componentes, con un enfoque particular en las entradas que guían su funcionalidad.
• VCC y GND proporcionan la energía del circuito, con VCC que representa el mayor nivel de voltaje y GND que actúan como el terreno estabilizador.
• Las entradas del reloj (A y B) atienden al pulsador rítmico requerido para la operación de IC, que incorpora un sello distintivo del diseño de contra-IC.
• Establezca entradas (S1 y S2) generalmente se conectan a GND en su estado inactivo, ofreciendo una vía para presionar el IC en una condición definida, donde el recuento a menudo se embarca desde 0000 (0).
Varios conceptos sirven como columna vertebral del diseño de contador;Comprenderlos es importante para una aplicación efectiva:
• Los contadores asíncronos permiten que cada flip-flop funcione de forma independiente, desprovista de marcos sincronizados, como lo ejemplifican ICS como 7490 y 7493.
• Los contadores sincrónicos se basan en una fuente de reloj unificada, promoviendo acciones sincronizadas, que es evidente en modelos IC como 74160 y 74163.
• BCD (decimal codificado binario) transforma los números decimales en un formato binario, promoviendo interacciones de datos más suaves dentro de los marcos digitales.
• El recuento mod-n delinea el progreso en los estados 'n' antes de que ocurra un reinicio, definiendo el módulo de un contador.
• La división de frecuencia articula un método para segmentar la frecuencia de una señal de reloj modulando la velocidad de activación de flip-flop, mostrando así cómo los contrapesados modulan con precisión las frecuencias de señal.


La capacidad funcional del IC 7490 en la división de frecuencia se manifiesta en su aplicación con un oscilador de cristal de 10MHz, acompañado por un inversor hexadecimal IC 7404 y varias 7490 unidades.Esta configuración produce hábilmente un espectro de frecuencias que varían de 1MHz a 1Hz.En cada nivel de contador, la frecuencia sufre la división por un factor de diez, representado visualmente por indicadores LED que resaltan las frecuencias de salida, enfatizando la capacidad robusta del IC 7490 en la ejecución de tareas de división de frecuencia sofisticadas.

El IC 7490 funciona como un contador decimal codificado por binario (BCD), progresando elegantemente a través de diez estados distintos que van de 0 a 9, lo que le vale la designación de un mostrador de Modulo-10 (MOD-10).En su núcleo hay dos unidades de conteo integradas: un mod-2 y un contador MOD-5.Al unísono, estas unidades manifiestan capacidades de conteo de décadas, cumpliendo los requisitos de precisión y eficiencia.El proceso se inicia con el contador MOD-2 que oscila entre dos estados, 0 y 1. Esta oscilación genera una salida que funciona como una entrada de reloj, dirigiendo el contador MOD-5.Las conexiones exactas son útiles: enlace el reloj del contador MOD-5 a CLKB y el contador MOD-2 a CLKA para garantizar un funcionamiento suave.

En el momento en que una señal de reloj involucra la sección Mod-2, alterna hábilmente su salida, QA, entre 0 y 1. Esta salida oscilante impulsa la sección Mod-5 a través de cinco estados distintos, completando un ciclo BCD de 0 a 9 con funcionalidad impecable.Equipado con dos pines de reinicio (R0 y R1) y dos pines establecidos (S0 y S1), el contador ofrece un control flexible sobre su estado.Involucrar un pasador de reinicio con una señal alta o configurar un pin establecido bajo impecablemente restablece el recuento a 0000, armonizando el circuito para comenzar de nuevo.Por otro lado, una señal baja en el reinicio y un alto en el conjunto permiten que el contador se dispare a su recuento máximo de 1001 o nueve.

Para expandir audazmente la capacidad de conteo a dos dígitos (alcanzando 99, mod-100) o incluso dígitos triples (que se extienden a 999, MOD-1000) requiere ajustes mínimos.Al incorporar la salida más alta de un IC como la entrada del reloj a otra en una serie secuencial, estos ajustes se vuelven factibles.Para las operaciones típicas de Mod-10, la entrada del segundo reloj, que se encuentra en el pin 1, debe vincularse a QA, con todos los demás pines de reinicio adecuadamente conectados a tierra.Un solo pulso entregado al PIN 1 inicia efectivamente el conteo.Adoptar una mente de consulta, para operaciones MOD-6, Engaña la entrada 1 con pines de reinicio R3 y R4 conectados a tierra, y conecte ingeniosamente QA a la entrada 2 para recalibrar el marco de conteo.
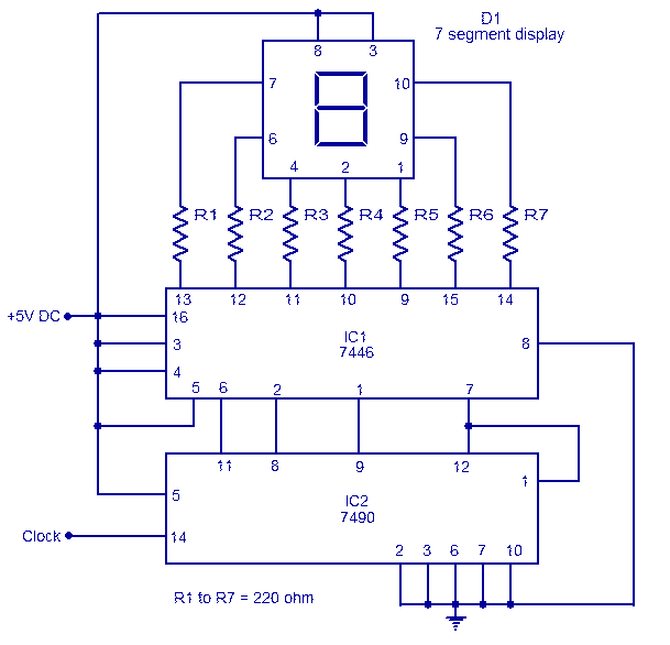
Explorar el diseño del circuito digital con IC 7490 y IC 7446 para mostrar los recuentos de 0 a 9 en una pantalla de 7 segmentos ofrece un viaje emocionante hacia la electrónica.Cada pulso de reloj altera esta combinación, creando una secuencia atractiva de pantallas visuales.
El IC 7490 sirve como un contador de décadas, guiando el recuento de 0 a 9. Su tarea implica dividir el pulso del reloj en diez salidas, con la precisión de la secuencia de conteo visible en la pantalla.A menudo puede admirar el IC 7490 por su confiabilidad, especialmente en relojes digitales y contadores de frecuencia que requieren un control de secuencia preciso.
En la práctica, la configuración de IC 7490 implica consideraciones meticulosas como niveles de potencia, reducción de ruido y alineación exacta de señales de entrada.La gestión con éxito de estos aspectos asegura un rendimiento suave y evita un conteo errático.A menudo puede aprovechar su experiencia para ajustar los parámetros del circuito, elevando tanto la estabilidad como la precisión.

IC 7446 juega un papel importante en la conversión de resultados de recuento binarios en números visualmente comprensibles en una pantalla de 7 segmentos.Funciona como un controlador, interpretando la salida binaria de IC 7490 y activando los segmentos adecuados para la formación de dígitos decimales.
La implementación de IC 7446 implica consideraciones prácticas.Asegurar las limitaciones de la corriente del segmento y la calidad de la conexión evitan el agotamiento y garantiza una visibilidad clara de dígitos.Puede incorporar estratégicamente resistencias para equilibrar el flujo de corriente, prolongando así la vida útil de la pantalla.
El sello distintivo de los sistemas digitales refinados se encuentra en su versatilidad funcional y adaptación a diferentes frecuencias de reloj.Asegurar la alineación entre la frecuencia del pulso del reloj y el sistema de conteo admite una operación suave, con ajustes requeridos para acomodar diferentes necesidades y entornos de diseño.
Dentro del mundo del conteo digital, el IC 7490 ocupa el centro del escenario con su capacidad innata para recorrer los números de 0 a 9. A medida que los dispositivos se esfuerzan por la gestión exacta del conteo, la versatilidad y la compatibilidad de esta década contra-shine cuando se enlazan con otros elementos digitales,revelando una relación simbiótica que admiras.
IC 7490 encuentra un papel significativo en las pantallas de 7 segmentos, lo que facilita un enfoque estructurado para la representación numérica.Dichas pantallas prevalecen en la electrónica de consumo, lo que garantiza la legibilidad sin esfuerzo.A menudo puede profundizar en las distinciones de ajustar el IC 7490 para lograr un rendimiento de visualización óptimo, una manualidad que no solo aumenta su interacción sino que también allana el camino para descubrir eficiencias inesperadas.Calibrar estas pantallas con precisión lo distingue de los novatos ansiosos por aprender.
Cuando se coloca en el centro de los temporizadores y relojes digitales, el IC 7490 revela su destreza en el tiempo divisorio con precisión.A través de su influencia en los sistemas dependientes del tiempo, proporciona segmentos de tiempo confiables utilizados para las operaciones.Dominar su sincronización con componentes complementarios exige una combinación considerada de teoría y experimentación práctica.Este cuidadoso esfuerzo transforma la funcionalidad de referencia en innovaciones de sincronización sofisticadas apreciadas por los aficionados a la cronometraje.
La incorporación de IC 7490 en circuitos de control automatizados dentro de los sistemas digitales y los servidores promueve una mayor efectividad operativa.Orquesta procesos intrincados, como la programación de tareas y la distribución de recursos, realizando un seguimiento meticuloso de los ciclos operativos.Los sazonados en la orquestación del servidor aprovechan estas características para refinar el rendimiento del servidor, configurando sutilmente la dinámica de la administración de tráfico de red.Esta aplicación prudente muestra cómo la tecnología profundamente integrada redefine y eleva las capacidades del sistema.
La exploración del IC 7490 en este artículo enfatiza su papel serio como un mostrador de décadas en la electrónica digital.Con sus capacidades precisas de conteo y reinicio, el IC 7490 ha demostrado ser requisito en muchas aplicaciones que requieren confiabilidad y precisión.Su integración en varios dispositivos no solo mejora el rendimiento, sino que también optimiza la complejidad inherente al diseño del circuito digital.A medida que continuamos superando los límites de lo que es posible en la electrónica digital, los principios iniciales ejemplificados por el IC 7490 sin duda inspirarán más innovaciones, asegurando que siga siendo una piedra angular en el desarrollo de sistemas electrónicos avanzados.Este examen detallado del IC 7490 no solo enriquece nuestra comprensión, sino que también celebra su relevancia duradera en la configuración del futuro de la tecnología.
Envíe una consulta, responderemos de inmediato.
El IC 7490 es un mostrador binario que cuenta de 0000 a 1001, ideal para contar digital en diez estados.Se usa comúnmente en dispositivos que requieren un conteo preciso, como relojes digitales o contadores de medición.Este IC ayuda a dividir el tiempo en segmentos claros, ofreciendo una utilidad práctica y un recordatorio del paso del tiempo.
El IC 7490 está construido con chanclas maestras/esclavas interconectadas, organizadas en secciones divide por dos y divide por cinco.Esta disposición garantiza transiciones eficientes entre los estados binarios, lo que respalda la sincronización en sistemas complejos como un rendimiento bien coordinado.
El IC 7490 funciona asincrónicamente como un mostrador de Modulo-10.Es adecuado para aplicaciones donde el tiempo preciso es menos peligroso, ofreciendo una solución más simple y más rentable en comparación con los contadores sincrónicos.
El IC 7490 produce una salida de contador de década, en bicicleta a través de diez estados predefinidos.Esta salida predecible es útil en aplicaciones que requieren patrones consistentes, como contadores de eventos o divisores de frecuencia en el procesamiento de señales digitales.
El IC 7490 realiza un recuento binario de 0 a 9, adecuado para el recuento de décadas estándar.En contraste, el IC 4017 tiene diez salidas discretas, mejor para conducir directamente las pantallas o controlar secuencias de pasos.La elección entre estos IC depende de las necesidades específicas de la interfaz de salida.
El IC 7490 administra diez estados (MOD-10), lo que lo hace adecuado para tareas que implican contar hasta una sola década.Por otro lado, el IC 7493 puede manejar hasta dieciséis estados (MOD-16), lo cual es beneficioso para aplicaciones de conteo más amplias como contadores multifuncionales o relojes digitales más complejos.
Un mostrador de década se mueve a través de diez estados distintos, generalmente de 0 a 9, y luego se restablece.En una configuración de 4 bits, también puede contar hasta 15. Estos contadores a menudo se usan en dispositivos que requieren cambios de estado ordenados, como pantallas multiplexadas o sistemas que registran eventos basados en el recuento.Esta función asegura que cada ciclo se rastree y grabe con precisión.
en 28/11/2024
en 27/11/2024
en 18/04/8000 147757
en 18/04/2000 111936
en 18/04/1600 111349
en 18/04/0400 83721
en 01/01/1970 79508
en 01/01/1970 66909
en 01/01/1970 63045
en 01/01/1970 63012
en 01/01/1970 54081
en 01/01/1970 52126