
El HT12E RF Coder IC es un gran componente en el ámbito de los sistemas de comunicación inalámbrica RF e IR.Su función principal es codificar las señales en una estructura de 12 bits, lo que permite la transmisión de datos segura y confiable.Este proceso de codificación asegura que los datos transmitidos se organicen en un formato que sea reconocible y procesable por las unidades receptores.El HT12E funciona a la perfección con su contraparte, el IC de decodificador HT12D, creando un enlace de comunicación efectivo entre la transmisión y la recepción de dispositivos.Una de las ventajas clave del HT12E es su capacidad para convertir las entradas de datos paralelos en salidas en serie, una característica que mejora la integridad y la seguridad de los datos.Esto lo hace valioso en aplicaciones como controles remotos y sistemas de alarma, donde se requiere una transmisión de señal consistente y confiable para una funcionalidad adecuada.

|
Número de alfiler |
Nombre |
Descripción |
|
1 a 8 |
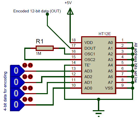
A0, A1, A2, A3, A4, A5, A6, A7 |
Estos son los bits de dirección de 8 bits utilizados para proteger los datos.
Estos bits deben establecerse en el mismo patrón en el codificador y el decodificador ICS para
Combínalos. |
|
9 |
Tierra/VSS |
Conectado al suelo del circuito. |
|
10 a 13 |
AD0, AD1, AD2, AD3 |
Estos cuatro pines se utilizan para enviar datos.Los datos codificados
Aquí se decodificará en el IC HT12D que comparte los mismos bits de dirección. |
|
14 |
Habilitación de transmisión (TE) |
Este pin debe estar conectado a tierra (0V) para habilitar el
transmisión. |
|
15 y 16 |
Pins del oscilador 1 y 2 |
El IC tiene un oscilador incorporado.Conecte estos dos pines
a través de una resistencia de 1M para usarla. |
|
17 |
Producción |
Los datos de salida de 12 bits codificados se pueden obtener de este
alfiler. |
|
18 |
VCC/VDD |
Este PIN alimenta el IC, típicamente +5V se usa.Puede alcanzar
de 2.4V a 12V. |
|
Característica |
Descripción |
|
Codador de 12 bits IC |
Diseñado para ser utilizado con HT12D para codificar datos. |
|
Datos codificados |
Comprende 4 bits de datos y 8 bits de dirección, formando un total
de 12 bits (8+4 = 12 bits). |
|
Transmisión inalámbrica |
Comúnmente utilizado para la transmisión inalámbrica de RF e IR
aplicaciones. |
|
Rango de voltaje de suministro |
Funciona con un amplio rango de voltaje de suministro de 2.4V a
12V, típicamente se usan 5V. |
|
Baja corriente de espera |
Consume una corriente de espera de solo 0.1 µA en VCC = 5V,
garantizar la eficiencia energética. |
|
Opciones de paquete |
Disponible en paquetes SOP de 20 pines y 20 pines para
integración flexible en circuitos. |
• PT2262
• 74C922
El HT12E IC se usa ampliamente en sistemas de transmisión de datos seguros y confiables, especialmente en RF e IR Comunicación inalámbrica y aplicaciones de control remoto.Se combina con el decodificador HT12D para crear un marco seguro, utilizando una configuración basada en direcciones para evitar el acceso no autorizado.Los usos comunes incluyen puertas de garaje, automatización del hogar y sistemas de iluminación, donde su método de codificación simple garantiza la facilidad de uso y confiabilidad.A pesar de admitir solo la transmisión de datos de 4 bits, es ideal para sistemas de control de corto alcance que priorizan la seguridad y el rendimiento.Muchos a menudo personalizan su configuración de dirección para satisfacer las necesidades específicas del proyecto, lo que hace que el HT12E sea una opción versátil para aplicaciones que requieren complejidad moderada e integridad de datos sólida.
El HT12E codificador IC es un componente importante para la transmisión de datos en sistemas de control remoto.Para operarlo, conecte el IC a una fuente de alimentación de 5 V estable y conecte al PIN de habilitación de transmisión para activar su modo de transmisión de datos.El oscilador interno requiere una resistencia de 1M conectada a los pines OSC1 y OSC2 para garantizar un tiempo preciso y un rendimiento estable.Para la entrada de datos, use la configuración de 4 bits en PIN AD0-AD3 y alinee los pines de dirección (A0-A7) para que coincida con la dirección del decodificador para evitar errores de comunicación.Los datos codificados se producen luego a través del pin de datos y se pueden transmitir a un decodificador HT12D a través de una conexión con cable o tecnologías inalámbricas como RF o IR.Si bien las conexiones con cable son confiables para distancias cortas, los métodos inalámbricos proporcionan una mayor flexibilidad y adaptabilidad, lo que las hace ideales para una variedad de aplicaciones.

Diagrama de conexión para el HT12E IC
El codificador HT12E se usa ampliamente en sistemas de control remoto como abridores de puerta de garaje para mejorar la eficiencia.Convierte datos paralelos en un formato adecuado para la transmisión del módulo RF, asegurando una comunicación precisa y confiable entre el control remoto y el receptor.En comparación con los sistemas analógicos, el HT12E ofrece un rendimiento más rápido y confiable.
En la automatización del hogar, el HT12E juega un papel en la conversión de datos en serie para la integración eficiente del sistema.Permite el control centralizado de diversas actividades, como encender o apagar las luces y administrar los electrodomésticos de forma remota.Este codificador no solo mejora la conveniencia, sino que también promueve la eficiencia energética al permitir el control preciso de los sistemas domésticos, atendiendo sus necesidades de comodidad y sostenibilidad.
El HT12E mejora los sistemas de seguridad, como las alarmas de ladrones y incendios, al garantizar la transferencia de datos segura y precisa.Su codificación confiable asegura que las señales de emergencia, como alertas de intrusión o advertencias de incendios, se transmitan rápida y correctamente a las estaciones de monitoreo o los respondedores de emergencia.Esto mejora la seguridad general y la capacidad de respuesta de tales sistemas en situaciones críticas.
Las evaluaciones de campo revelan que el HT12E ofrece constantemente un rendimiento confiable, incluso en entornos desafiantes con interferencia electromagnética.Su resistencia y versatilidad en varias aplicaciones lo convierte en una solución destacada en la comunicación inalámbrica, inspirando para explorar usos innovadores y maximizar su potencial.

Envíe una consulta, responderemos de inmediato.
en 20/12/2024
en 20/12/2024
en 18/04/8000 147757
en 18/04/2000 111935
en 18/04/1600 111349
en 18/04/0400 83719
en 01/01/1970 79508
en 01/01/1970 66904
en 01/01/1970 63028
en 01/01/1970 63012
en 01/01/1970 54081
en 01/01/1970 52122