
El BF245 se utiliza principalmente para amplificar señales dentro de VHF, bandas UHF y frecuencias de audio.Con atributos de alta ganancia y bajo ruido, amplifica con precisión pequeñas señales al tiempo que minimiza la interferencia de ruido.
La serie, incluido BF245, Bf245a, BF245B y BF245C, muestra características eléctricas distintas, principalmente en voltaje de origen de puerta y corriente de drenaje de voltaje de puerta cero.Estas diferencias atienden a aplicaciones específicas, que ofrecen versatilidad en la optimización de diseños de circuitos para diversas necesidades de amplificación de señal.La eficacia en las bandas VHF y UHF es notable debido a su capacidad para administrar y amplificar señales más débiles, mejorando la claridad y la fuerza de la señal, básico para los sistemas de transmisión y comunicación.
En aplicaciones de frecuencia de audio, el BF245 sobresale al preservar la integridad de la señal y minimizar la distorsión, utilizada en equipos de audio de alta fidelidad.Su capacidad para filtrar el ruido asegura la salida de audio más limpia.En comparación con transistores similares, el equilibrio de BF245 entre alta ganancia y bajo ruido lo convierte en una opción popular.A menudo puede preferir este componente por su robustez y confiabilidad en entornos exigentes.

|
ALFILER |
SÍMBOLO |
DESCRIPCIÓN |
|
1 |
gramo |
Puerta |
|
2 |
s |
Fuente |
|
3 |
d |
Drenar |



|
Característica |
Especificación |
|
Tipo de paquete |
A 92 |
|
Tipo de transistor |
N canal jfet |
|
Voltaje de fuente de drenaje |
30V (máximo) |
|
Voltaje de puerta de drenaje |
30V (máximo) |
|
Voltaje de fuente de puerta inversa |
–30V (máximo) |
|
Corriente de drenaje continuo |
25 mA (máximo) |
|
Voltaje de corte de origen de la puerta |
-0.5V a –0v |
|
Disipación de potencia |
300MW (máximo) |
|
Temperatura de almacenamiento y operación |
-55 ° C a +150 ° C |
|
Nivel de ruido y ganancia |
Bajo ruido y alta ganancia |
|
Frecuencia operativa |
Hasta 700 MHz |
|
Drenaje e intercambiabilidad de la fuente |
Sí |
Aquí está la tabla de especificaciones técnicas para el semiconductor en Bf245b Jfet.
|
Tipo |
Parámetro |
|
Estado del ciclo de vida |
Obsoleto |
|
Últimos envíos |
Última actualización: hace 1 semana |
|
Montar |
A través del agujero |
|
Paquete / estuche |
TO26-3, TO-92-3 (TO-226AA) |
|
Número de alfileres |
3 |
|
Peso |
200 mg |
|
Voltaje de desglose / V |
-30 V |
|
Número de elementos |
1 |
|
Embalaje |
A granel |
|
Publicado |
2009 |
|
Código JESD-609 |
e0 |
|
Código PBFree |
No |
|
Estatus de parte |
Obsoleto |
|
Nivel de sensibilidad de humedad (MSL) |
1 (ilimitado) |
|
Número de terminaciones |
3 |
|
Código ECCN |
EAR99 |
|
Acabado terminal |
Lata/plomo (SN/PB) |
|
Temperatura de funcionamiento máxima |
150 ° C |
|
Min Temperatura de funcionamiento |
-55 ° C |
|
Código HTS |
8541.21.00.75 |
|
Voltaje - DC clasificado |
30 V |
|
Calificación actual (AMP) |
100 mA |
|
Disipación de potencia máxima |
350 MW |
|
Posición terminal |
Abajo |
|
Temperatura máxima de reflujo (° C) |
240 |
|
Alcanzar el código de cumplimiento |
No cumplido |
|
Calificación actual |
10 Ma |
|
Time@peak reflow temp-max (s) |
30 |
|
Número de pieza base |
BF245 |
|
Recuento de alfileres |
3 |
|
Estado de calificación |
No calificado |
|
Configuración de elementos |
Soltero |
|
Modo de funcionamiento |
Modo de agotamiento |
|
Disipación de potencia |
350 MW |
|
Aplicación de transistor |
Amplificador |
|
Drene a la fuente de voltaje (VDSS) |
15 V |
|
Tipo de transistor |
JFET de canal N |
|
Corriente de drenaje continuo (ID) |
15 Ma |
|
Voltaje de puerta a fuente (VGS) |
-30 V |
|
Drene la corriente-max (ABS) (ID) |
0.1 a |
|
Voltaje de desglose de drenaje a fuente |
30 V |
|
Tecnología FET |
Unión |
|
Banda de mayor frecuencia |
Ultra alta frecuencia b |
|
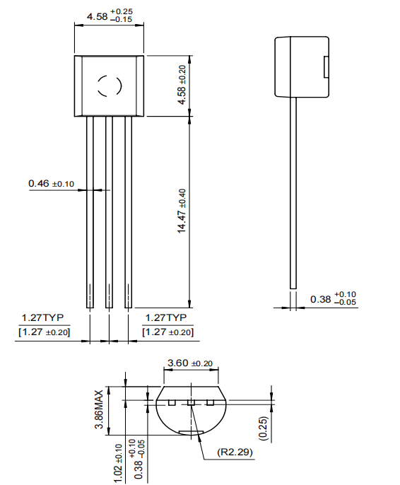
Altura |
4.58 mm |
|
Longitud |
4.58 mm |
|
Ancho |
3.86 mm |
|
Estado de ROHS |
No compatible |
|
Plomo libre |
Plomo libre
|
• BF245C
• 2N5457
• 2Sk117
• MPF102
• 2N5458
• Bf244a
• Bf256a
• J113
• 2N3819
• 2N4416
• 2N5638
• 2SK162
El BF245 encuentra un uso extenso en las señales de amplificación de VHF (muy alta frecuencia) y UHF (Ultra Alta Frecuencia).Estas frecuencias juegan un papel en la comunicación por radio, la transmisión de televisión y los dispositivos inalámbricos, que requieren una amplificación detallada para mantener la claridad de la señal.Puede explorar en configuraciones sofisticadas para mejorar el rendimiento, contemplando desafíos como la distorsión de la señal y la gestión de ruido.Esta búsqueda a menudo se alinea con la satisfacción emocional de lograr la excelencia técnica.
Este transistor juega un papel en la elaboración de osciladores de RF, que generan señales de frecuencia estables y precisas.Su característica de bajo ruido enriquece la calidad de las señales de salida, un factor apreciado en las telecomunicaciones y los círculos de transmisión.Puede invertir el esfuerzo emocional e intelectual para minimizar la distorsión armónica al tiempo que preserva la estabilidad de la frecuencia, atrayendo ideas de experiencias prácticas para ajustar los parámetros del circuito.
En el dominio de la amplificación de audio, el BF245 proporciona un soporte confiable para señales de audio de baja potencia.Su papel en los circuitos de audio garantiza una distorsión mínima, lo que lo hace adecuado para sistemas de audio de alta fidelidad.El arte de equilibrar el consumo de energía con el rendimiento se convierte en una tarea exacta, puede disfrutar de refinar para mejorar la experiencia auditiva, informada por la experiencia práctica para sesgar correctamente el transistor.
Para el procesamiento de señales de bajo nivel, a menudo visto en instrumentos analíticos y de medición, el BF245 demuestra su valor.El manejo de señales débiles garantiza con precisión la integridad de los datos.Trabajar con este transistor en campos como el monitoreo ambiental y la ingeniería biomédica se convierte en una exploración de los circuitos de personalización para satisfacer las necesidades de medición precisas, disfrutando de la participación intelectual que esto implica.
El BF245 mejora los circuitos de sensores al amplificar señales débiles de diversos sensores.Ya sea en temperatura, presión o detección de humedad, este transistor proporciona una amplificación estable, facilitando la interpretación precisa de los datos del sensor.Puede tratar de refinar los circuitos de sensores, enfocarse en minimizar los tiempos de respuesta y mejorar la sensibilidad, todo mientras aprecia el rendimiento constante del BF245 en diferentes condiciones.

En semiconductor sirve al sector de semiconductores con una amplia gama de productos.La compañía se especializa en gestión de potencia y señal, componentes lógicos y dispositivos discretos y personalizados como automotriz, comunicaciones, computación, consumidores, iluminación industrial, LED, médico, militar/aeroespacial y aplicaciones de energía.En semiconductor opera una extensa red en América del Norte, Europa y Asia Pacífico.La compañía tiene su sede en la vibrante ciudad de Phoenix, Arizona, un centro que alimenta su espíritu innovador.
Envíe una consulta, responderemos de inmediato.
en 29/10/2024
en 29/10/2024
en 18/04/8000 147780
en 18/04/2000 112042
en 18/04/1600 111352
en 18/04/0400 83806
en 01/01/1970 79605
en 01/01/1970 66986
en 01/01/1970 63113
en 01/01/1970 63048
en 01/01/1970 54097
en 01/01/1970 52199