




El Tl084cn, como parte de la familia del amplificador operacional TL08X, incorpora una entrada JFET que eleva la calidad de la selección y mejora el rendimiento general en comparación con los modelos de amplificador anteriores.Esta integración de la tecnología JFET de alto voltaje junto con los transistores bipolares dentro de un único circuito integrado logra una coincidencia óptima para diversas aplicaciones.Esta disposición sofisticada permite que el amplificador se emplee en situaciones donde la precisión y la estabilidad son profundamente valoradas.
La implementación de una etapa de entrada JFET en el TL084CN proporciona beneficios notables, que incluyen una mayor impedancia de entrada y una corriente de sesgo de entrada reducida en relación con las entradas tradicionales de BJT.Estos atributos minimizan la distorsión de la señal y refuerzan la fidelidad de la señal, aspectos principalmente apreciados en aplicaciones de audio y diseño de instrumentación.Prácticamente, esto se traduce en mantener la integridad de las señales de entrada incluso dentro de circuitos complejos o en medio de un ruido sustancial.
La fusión de los transistores JFET y bipolares dentro del TL084CN da como resultado un rendimiento y confiabilidad excepcionales.Esta decisión de diseño mejora las tasas de seco y amplía los anchos de banda, lo que hace que el amplificador adepto para tareas de procesamiento de señales de alta velocidad.Por ejemplo, puede diseñar equipos de audio de precisión que puedan aprovechar estos atributos para lograr una claridad superior y una latencia minimizada en la reproducción de sonido, lo que es útil para sistemas de sonido profesionales de alto calibre.

|
Tipo |
Parámetro |
|
Estado del ciclo de vida |
Activo (último actualizado: hace 4 días) |
|
Tiempo de entrega de fábrica |
12 semanas |
|
Contactor |
Oro |
|
Tipo de montaje |
A través del agujero |
|
Paquete / estuche |
14 dip (0.300, 7.62 mm) |
|
Montaje en superficie |
NO |
|
Número de alfileres |
14 |
|
Temperatura de funcionamiento |
0 ° C ~ 70 ° C |
|
Embalaje |
Tubo |
|
Código JESD-609 |
E4 |
|
Estatus de parte |
Activo |
|
Nivel de sensibilidad de humedad (MSL) |
1 (ilimitado) |
|
Número de terminaciones |
14 |
|
Código ECCN |
EAR99 |
|
Disipación de potencia máxima |
680MW |
|
Posición terminal |
DUAL |
|
Número de funciones |
4 |
|
Voltaje de suministro |
15V |
|
Número de pieza base |
TL084 |
|
Recuento de alfileres |
14 |
|
Fuente de alimentación |
± 15V |
|
Número de canales |
4 |
|
Corriente de suministro operativo |
1.4mA |
|
Corriente de suministro nominal |
11.2MA |
|
Ritmo |
13V/μs |
|
Arquitectura |
Voltaje de retroalimentación |
|
Tipo de amplificador |
J-fet |
|
Relación de rechazo de modo común |
70 dB |
|
Corriente - Sesgo de entrada |
30pa |
|
Voltaje: suministro, único/dual (±) |
7V ~ 36V ± 3.5V ~ 18V |
|
Voltaje de compensación de entrada (VOS) |
15 mv |
|
Neg Supply Voltage-Nom (VSUP) |
-15V |
|
Ganancia de la unidad bw-nom |
3000 kHz |
|
Ganancia de voltaje |
106.02db |
|
Sesgo promedio de corriente-max (IIB) |
0.01 μA |
|
Bajada |
NO |
|
Compensación de frecuencia |
SÍ |
|
Límite de voltaje de suministro Max |
18V |
|
Voltaje - Compensación de entrada |
3 mv |
|
Sesgo bajo |
SÍ |
|
Microtewer |
NO |
|
Potencia programable |
NO |
|
Voltaje de suministro dual |
9V |
|
Neg Supply Voltage-Max (VSUP) |
-18V |
|
Producto de ancho de banda de ganancia nominal |
3MHz |
|
Voltaje máximo de E/S |
15 mv |
|
Entrada compensación de corriente-max (IIO) |
0.002 μA |
|
Altura |
5.08 mm |
|
Longitud |
19.3 mm |
|
Ancho |
6.35 mm |
|
Espesor |
3.9 mm |
|
Llegar a SVHC |
Sin SVHC |
|
Endurecimiento por radiación |
No |
|
Estado de ROHS |
ROHS3 Cumplante |
|
Plomo libre |
Plomo libre |
|
Número de parte |
Fabricante |
Paquete / estuche |
Número de alfileres
|
Ritmo |
Voltaje de compensación de entrada |
Relación de rechazo de modo común |
Voltaje de suministro |
Corriente de suministro operativo |
Ganancia de voltaje |
|
Tl084cn |
Instrumentos de Texas |
14 dip (0.300, 7.62 mm) |
14 |
13 V/µs |
15 MV |
70 dB |
15 V |
1.4 Ma |
106.02 dB |
|
Tl074cn |
Instrumentos de Texas |
14 dip (0.300, 7.62 mm) |
14 |
13 V/µs |
10 MV |
70 dB |
15 V |
1.4 Ma |
106.02 dB |
|
Tl074in |
Instrumentos de Texas |
14 dip (0.300, 7.62 mm) |
14 |
13 V/µs |
6 MV |
70 dB |
15 V |
1.4 Ma |
106.02 dB |
|
TL084CNE4 |
Instrumentos de Texas |
Pdip |
14 |
13 V/µs |
15 MV |
70 dB |
15 V |
1.4 Ma |
106.02 dB |
|
Característica |
Descripción |
|
Bajo consumo de energía |
Reduce el uso general de energía en los circuitos |
|
Amplios rangos de voltaje de modo común y diferencial |
Admite una amplia gama de entradas de voltaje |
|
Sesgo de entrada baja y corrientes de compensación |
Minimiza las variaciones de corriente de entrada y los errores de desplazamiento |
|
Protección de cortocircuito de salida |
Protege la salida del daño potencial debido a la breve
circuitos |
|
Baja distorsión armónica total |
0.003% típico, ideal para aplicaciones de audio |
|
Alta impedancia de entrada |
Etapa JFET-Input para impedancia mejorada |
|
Operación sin enganche |
Asegura una operación confiable y estable |
|
Tasa de matriz alta |
13 V/µs típico para la respuesta de señal rápida |
|
El rango de voltaje de entrada en modo común incluye VCC+ |
Permite que el voltaje de entrada exceda el voltaje de suministro positivo |
• Tl074cn
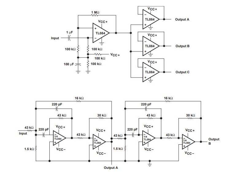
El amplificador operativo TL084CN se distingue al abarcar cuatro amplificadores de operaciones discretos dentro de un paquete.Cada amplificador operacional se beneficia de la integración avanzada de la tecnología JFET y transistores bipolares de alto voltaje.Esta combinación da como resultado una alta impedancia de entrada y una corriente de bajo sesgo, lo que reduce efectivamente el ruido y minimiza la distorsión armónica.Estas características hacen que el TL084CN sea adecuado para la configuración de audio de alta fidelidad, especialmente como un componente activo en preamplificadores de audio donde se debe mantener la precisión y la claridad.
En el mundo de la ingeniería de audio, la inclusión del TL084CN juega un papel fundamental.Actúa como un bloque de construcción sustancial en la creación de preamplificadores de audio.La impedancia de alta entrada del amplificador operacional facilita una amplia respuesta de frecuencia, asegurando que las delicadas señales de audio se amplifiquen sin sacrificar los detalles.En la práctica, puede gravitar hacia el TL084CN para su papel en el logro de la reproducción de audio premium.Su diseño le permite administrar un amplio espectro de amplitudes de señal sin distorsión, un testimonio de su tecnología JFET y bipolar.
Un uso notable del TL084CN aparece en el equipo de audio de precisión.Aquí, puede explotar su corriente de bajo polarización para preservar la integridad de la señal de audio, utilizada para entradas de bajo nivel donde otros componentes podrían introducir ruido.Este nivel de gestión de señal precisa permite la retención de distinciones de audio incluso sutiles, que atrae a usted que prioriza la calidad de sonido superior.Fuera del mundo del audio, el TL084CN muestra la adaptabilidad en una gama de sistemas electrónicos.Sus atributos, como la respuesta de alta velocidad y el bajo consumo de energía, lo convierten en una elección de ajuste para los circuitos que exigen un procesamiento de señal rápido y preciso.A menudo se encuentra en diversos campos, incluidas las telecomunicaciones e instrumentación, donde las características robustas del amplificador operacional contribuyen a mejorar la confiabilidad y el rendimiento del sistema.
El TL084CN ofrece una matriz única de cuatro amplificadores operativos (amplificadores operacionales), con la misma configuración de pin que LM324.A diferencia de los 5V habituales para muchos dispositivos OP-AMP, como el LM324, este dispositivo se ejecuta específicamente en un límite de voltaje más bajo de 7V.Para aprovechar todo el potencial de este dispositivo Quad Op-Amp, asegúrese de que el voltaje de suministro en modo de suministro único cumpla o supera las 7V.
El requisito de 7V aporta una estabilidad particular que afecta el diseño del circuito, lo que sugiere la importancia de tener en cuenta las variaciones en el suministro de voltaje.Las variaciones pueden comprometer el rendimiento, posiblemente causando interrupciones del circuito.Un voltaje continuo y estable mejora la resiliencia del circuito, un rasgo notable de TL084CN que respalda el desarrollo de sistemas donde la flexibilidad de mayor voltaje aumenta la confiabilidad.
Dibujando de las aplicaciones de LM324, TL084CN puede encontrar sin esfuerzo su lugar en los marcos de circuito de corriente.Sus características compartidas le permiten observar los diseños de circuitos LM324 establecidos y hacer una transición más suave de estas ideas en nuevas implementaciones.Los esquemas de circuito LM324 preexistentes actúan como un recurso guía para adaptar e integrar el TL084CN.


Desde su inicio en 1958, Texas Instruments ha estado constantemente a la vanguardia de la tecnología de semiconductores, capturando un lugar único en el panorama de la industria.Empleando a más de 30,000 personas talentosas en todo el mundo, el espíritu de innovación de la compañía se siente tangiblemente en sus continuos avances en soluciones de procesamiento analógicas e integradas.
Texas Instruments (TI) se entrelaza en el tejido de la evolución tecnológica a través de sus innovadoras contribuciones.Reconocido por la invención del circuito integrado, TI ha priorizado continuamente la investigación y el desarrollo, estableciéndose como una parte dinámica del sector electrónica.El circuito integrado es un testimonio del espíritu pionero de TI, transformando el mundo de la computación y sirviendo como catalizador para la revolución digital.Los efectos dominantes de esta innovación se han sentido en numerosos dominios, incluidas las telecomunicaciones y la tecnología automotriz.
Envíe una consulta, responderemos de inmediato.
El TL084CN es un intrincado amplificador operativo de entrada JFET de 14 pines, cuidadosamente elaborado para fusionar los transistores JFET y bipolares de alto voltaje en un IC monolítico unificado.Entre sus características notables se encuentran sus rápidas tasas de juego y el bajo sesgo y el voltaje de desplazamiento.Estas propiedades lo convierten en un activo flexible en el mundo del diseño electrónico.La sinergia de JFET y elementos bipolares enriquece tanto el ancho de banda como el rango dinámico, aspectos muy apreciados en el diseño de circuitos de precisión.
Los amplificadores operativos juegan un papel clave en los circuitos electrónicos debido a su capacidad para mejorar las señales débiles.Abandonan dos pines de entrada y un pin de salida singular, principalmente encargado de aumentar las diferencias de voltaje.Esta función intrínseca encuentra utilidad en diversas aplicaciones, como el procesamiento de audio y la amplificación de la señal del sensor.Con frecuencia puede mejorar los circuitos que integran los amplificadores operacionales para maximizar el rendimiento funcional, beneficiándose inmensamente de su comportamiento confiable y lineal.
El amplificador operacional TL084CN sobresale en situaciones en las que se utilizan altas tasas de seco un sesgo mínimo de entrada y voltajes de desplazamiento.Su versatilidad brilla en roles como seguidores de voltaje, activo para la coincidencia de impedancia;Conversiones de AC a CC;impulso de precisión de la rectificación de la señal;y acomodar integradores de alta velocidad.Comprometerse prácticamente con estos amplificadores operacionales superiores implica emprender el delicado acto de equilibrar los parámetros de rendimiento, como la velocidad de juego, con la gestión térmica para garantizar la confiabilidad del circuito y la longevidad.
La tasa de seco se refiere a la velocidad a la que una cantidad eléctrica, como el voltaje o la corriente, cambia con el tiempo.Esto generalmente se expresa en voltios por segundo o subdivisiones más pequeñas como microsegundos (μs) o nanosegundos (NS).Agarrar el concepto de velocidad de juego es un trampolín para lograr un ritmo y precisión adecuados en las actividades de procesamiento de señales.Una comprensión perspicaz de la compensación entre la velocidad y la estabilidad en los circuitos puede allanar el camino para diseños de sistemas más avanzados y robustos.A medida que se expanden las fronteras tecnológicas en el diseño de semiconductores, el intrincado acto de optimizar la velocidad de seco sin estabilidad de renuncia continúa desafiando e inspirando avances en el diseño electrónico de alta tecnología.
en 05/11/2024
en 05/11/2024
en 17/04/8000 147712
en 17/04/2000 111709
en 17/04/1600 111319
en 17/04/0400 83600
en 01/01/1970 79251
en 01/01/1970 66770
en 01/01/1970 62939
en 01/01/1970 62817
en 01/01/1970 54027
en 01/01/1970 51972