




El 88E1512 es un transceptor Gigabit Ethernet altamente adaptable.Admite los estándares 1000BASE, 100BASE-TX y 10BASE-T ampliamente utilizados, garantizando la transmisión de datos eficiente.Esta diversidad en los estándares le permite cumplir con las demandas de los sistemas de red modernos, ofreciendo confiabilidad en diferentes interfaces.
Con las conexiones disponibles a través de interfaces GMII y RGMII, el transceptor facilita la integración suave en diversas infraestructuras de red.Esta doble compatibilidad atiende a diversas arquitecturas de red, proporcionándole la flexibilidad necesaria para mejorar el rendimiento del sistema sin problemas.La facilidad de incorporación en los sistemas existentes a menudo se valora, lo que aumenta tanto la escalabilidad como la eficiencia.Apoyando los formatos de cobre, fibra y SGMII, el 88E1512 está preparado para adaptarse a una variedad de escenarios de red.En los entornos donde las demandas de la red fluctúan, esta capacidad puede ser principalmente ventajosa.La detección de tipo de medios automático del transceptor reduce la complejidad de configuración, racionalizando la gestión de la red.
Las resistencias integradas de terminación de MDI son parte del diseño eficiente del 88E1512, simplificando los diseños de circuitos y la reducción de los costos relacionados con los materiales y la fabricación.Este diseño reflexivo se alinea con los estándares IEEE, asegurando un rendimiento constante.Dicha eficiencia ayuda a la entrega de sistemas confiables pero directos para implementar.Con frecuencia se busca el saldo de precisión y gestión de costos que ofrece el 88E1512.Al ofrecer soluciones de calidad que respeten las limitaciones presupuestarias, los proyectos pueden lograr la sostenibilidad y la escalabilidad.Este equilibrio se observa comúnmente en implementaciones exitosas, impulsando el avance de la red a largo plazo.
|
Característica |
Descripción |
|
Cumplimiento de IEEE |
10/100/1000BASE-T IEEE 802.3 Cumplimiento |
|
Múltiples modos de operación |
- rgmii al cobre |
|
- sgmii a cobre (88e1512/88e1514 solamente) |
|
|
- rgmii a fibra/sgmii (solo 88e1512) |
|
|
- rgmii a cobre/fibra/sgmii con detectar automotriz automáticamente
(88e1512 solamente) |
|
|
- Cobre a fibra (1000Base-X) (88E1512/88E1514) |
|
|
Modos de sincronización RGMII |
Cuatro modos de sincronización RGMII con retrasos integrados,
Eliminando la necesidad de retrasos de traza de PCB |
|
Soporte de la interfaz de fibra |
Admite 1000Base-X y 100Base-FX con SGMII (88E1512
solo) |
|
RGMII LVCMOS Estándares |
Admite LVCMOS/0 en el RGMII |
|
Ethernet de eficiencia energética (EEE) |
IEEE 802.3AZ-2010 compatible con EEE Buffering para
Legacy Macs |
|
Eficiencia energética |
Potencia ultra baja, con terminación MDI integrada
resistencias |
|
Reguladores de voltaje |
Reguladores de voltaje de conmutación integrados |
|
Soporte de Ethernet verde |
- Modo activo de guardado de alimentación |
|
- Energía detectar y detectar energía+ modos de baja potencia |
|
|
IEEE1588 V2 |
Soporte de estampado de tiempo |
|
Ethernet sincrónico (Synce) |
Recuperación de reloj |
|
Modos de bucleza |
Tres modos de bucle de diagnóstico |
|
Modo de cambio descendente |
Soporte para instalaciones de cable de dos pares
|
|
Eciacientes adaptativos |
Eciacientes adaptativos digitales totalmente integrados, eco
Canceladores y Crosstalk Cancellers |
|
Corrección de Wander de línea de base |
Corrección avanzada de Wander de Wander Base Base Base Base |
|
Mdi/mdix |
Crossover automático de MDI/MDIX a todas las velocidades |
|
Corrección de polaridad |
Corrección de polaridad automática |
|
Auto-negociación |
IEEE 802.3 Cumplante |
|
Modos LED |
Modos LED programables de software, incluidas las pruebas LED |
|
Interfaz de administración |
Interfaz de administración MDC/XMDIO |
|
Herramientas de diagnóstico |
CHECKER CRC, contador de paquetes, generación de paquetes |
|
Wake On Lan (Wol) |
Capacidad de detección de eventos |
|
Probador de cable virtual (VCT) |
Probador de cable virtual avanzado para diagnósticos |
|
Calibración automática |
Para salidas de la interfaz Mac |
|
Sensor de temperatura |
Integrado |
|
Suministro de voltaje |
Suministro único de 3.3V con regulador de conmutación interna
apoyo |
|
Opciones de voltaje de E/S |
1.8V, 2.5V o 3.3V para almohadillas de E/S |
|
Opciones de calificación |
Grados comerciales e industriales (88e1510 y 88e1512
solo) |
|
Paquete |
- 48 pines Qfn 7 mm x 7 mm de verde con EPAD (88e1510 y
88e1518) |
|
- 56 pin Qfn 8 mm x 8 mm verde con Epad (88e1512/88e1514) |
El 88E1512 Ethernet Phy ofrece una base flexible para avances rápidos en paisajes digitales.Este componente impulsa sistemas Gigabit en varios sectores, como empresas, soluciones integradas, electrónica de consumo y redes de metro/servicio.
• Mejora de la infraestructura de red: en las redes empresariales, el 88E1512 amplifica la conectividad y aumenta las tasas de transferencia de datos.Prótula en entornos que exigen un intercambio de datos rápido y sin problemas, como centros de datos y redes corporativas.
• Integración del centro de datos: los centros de datos se benefician del rendimiento estable del 88E1512 y las capacidades de alta velocidad, lo que garantiza el flujo de datos sin problemas para el almacenamiento y el procesamiento.Se trata de un equilibrio armonioso entre la velocidad y la confiabilidad, convirtiéndose en un elemento clave en los diseños de centros de datos contemporáneos.
En los sistemas integrados, el componente permite diseños compactos y eficientes serios para IoT y automatización.Esta integración fomenta aplicaciones más inteligentes y receptivas, lo que impulsa innovaciones en tecnologías de hogares inteligentes y automatización industrial.
El 88E1512 satisface la creciente demanda de Internet de alta velocidad en dispositivos de consumo.Los televisores inteligentes y las consolas de juegos, por ejemplo, aprovechan su capacidad para experiencias de transmisión y juego superiores, mejorando su satisfacción y ventaja competitiva.
• Mantener la conectividad: en las redes metropolitanas y entre los proveedores de servicios, el 88E1512 garantiza conexiones estables y consistentes.Su implementación permite a los proveedores de servicios ofrecer acceso a Internet de calidad con interrupciones mínimas, beneficiando tanto a las empresas como a los hogares.
• Mejorar la red troncal de la red: su papel en las redes de metro admite infraestructura confiable, facilitando canales de comunicación eficientes y acomodando altas cargas de datos.Es principal para mantener redes de comunicación urbana, asegurando su eficiencia y resiliencia.
• 88E1512-A0-NNP2I000
• 88E1512-A0-NP-2I000
• 88E1512-A0NNP2I000
• 88e1512a0nnp2i000


Marvell, conocido por empujar el sobre en el almacenamiento digital, rompe constantemente nuevos terrenos en varios sectores.Sus avanzadas soluciones de semiconductores juegan un papel importante en la definición del futuro del almacenamiento de datos y tienen efectos de largo alcance en los mercados empresariales, nubes, automotrices, industriales y de consumo.Esta estrategia holística revela su dedicación para aumentar la eficiencia y escalabilidad de la gestión de datos.
Tanto en la configuración empresarial como en la nube, Marvell mejora el flujo de datos y la eficiencia de almacenamiento.El creciente énfasis en la computación en la nube requiere innovaciones robustas y escalables.Al aprovechar los algoritmos avanzados junto con los diseños de bajo consumo de energía, Marvell aborda los desafíos de latencia, proporcionando un acceso a los datos sin problemas para cumplir con los requisitos de velocidad requeridos para las empresas modernas.Para los usos automotrices e industriales, Marvell ofrece soluciones duraderas diseñadas para soportar condiciones difíciles.Sus semiconductores ofrecen procesamiento confiable de datos, activo para la evolución y la automatización de fabricación de los vehículos inteligentes.La incorporación de capacidades de IA respalda la toma de decisiones inteligentes y el mantenimiento predictivo, ambos utilizados para las transformaciones de estos sectores.
Aquí está la mesa para el Marvell Semiconductor, Inc. 88E1512-A0-NP2I000 Especificaciones y atributos técnicos.
|
Tipo |
Parámetro |
|
Tiempo de entrega de fábrica |
16 semanas |
|
Montar |
Montaje en superficie |
|
Tipo de montaje |
Montaje en superficie |
|
Paquete / estuche |
Almohadilla expuesta 56-vfqfn |
|
Nivel de uso |
Grado industrial |
|
Temperatura de funcionamiento |
-40 ° C ~ 85 ° C (TA) |
|
Serie |
Alaska® |
|
Publicado |
2011 |
|
Estatus de parte |
Activo |
|
Nivel de sensibilidad de humedad (MSL) |
3 (168 horas) |
|
Número de terminaciones |
56 |
|
Tipo |
Transceptor |
|
Voltaje - suministro |
1.71V ~ 1.89V, 2.38V ~ 2.62V, 3.14V ~ 3.46V |
|
Posición terminal |
PATIO |
|
Forma terminal |
Sin plomo |
|
Número de funciones |
1 |
|
Voltaje de suministro |
3.3V |
|
Código Jesd-30 |
S-XQCC-N56 |
|
Número de canales |
4 |
|
Interfaz |
Éternet |
|
Tasa de datos |
10Mbps, 100Mbps, 1 Gbps |
|
Protocolo |
IEEE 802.3, IEEE 1588 |
|
Número de conductores/receptores |
4-abril |
|
Dúplex |
Completo, mitad |
|
Número de transceptores |
1 |
|
Simplex/dúplex |
Dúplex |
|
Temperatura de unión máxima (TJ) |
125 ° C |
|
Rango de temperatura ambiente alto |
85 ° C |
|
Altura |
1 mm |
|
Estado de ROHS |
Cumplimiento de ROHS |
El transceptor 88e1512 es Diseñado para configuraciones de red versátiles, que admiten cinco modos de operación para adaptarse necesidades específicas.RGMII que mejora la comunicación digital Entre Mac y Phy, simplificando la transmisión de datos y la reducción del diseño La complejidad es ideal para conexiones de cobre en diversas instalaciones.Sgmii es un protocolo compacto con pares diferenciales para una alta integridad de la señal y bajo recuento de pasadores, que soportan conexiones de cobre y fibra, ampliamente utilizadas para su Baja potencia y adaptabilidad.RGMII a las ofertas de transición de SGMII Conectividad flexible al habilitar las transiciones RGMII a SGMII con la configuración Opciones para garantizar la compatibilidad en diferentes configuraciones.Cobre y fibra Soporte SGMII Soporte de cobre (duradero, Conexiones rentables) y fibra (alta velocidad, larga distancia), con Detección automática para configuración simplificada.La transición de fibra (1000Base-X) facilita transiciones sin problemas entre los modos de cobre y fibra, adaptables al residencial y entornos comerciales basados en los requisitos de latencia y señal.
El transceptor presenta un regulador de voltaje integrado, que funciona sin problemas en una fuente de alimentación de 3.3V mientras admite múltiples voltajes LVCMOS: 1.8V, 2.5V y 3.3V.Esta adaptabilidad permite una integración perfecta en sistemas con diferentes marcos de potencia.Una elección intencional de los estándares de voltaje influye directamente en la gestión térmica y la eficiencia energética, desempeñando un papel notable en los desafíos de ingeniería.Al atender estos aspectos, puede reforzar la longevidad de rendimiento y la operación de dispositivos sostenibles.
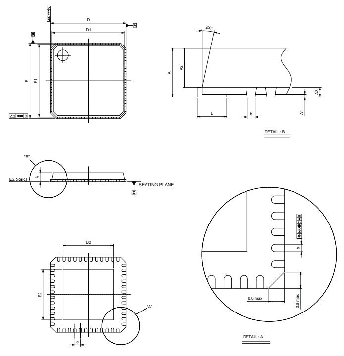
Encerrado en un paquete QFN de 56 pines compacto, las dimensiones del transceptor son 8 mm x 8 mm.Este diseño se utiliza para maximizar el espacio en las densas placas de circuitos, lo que lo hace adecuado para aplicaciones de alta densidad.A medida que la electrónica continúa tendiendo en tamaños más pequeños, elegir componentes compactos sin perder la funcionalidad se vuelve cada vez más importante.El paquete QFN no solo mejora el rendimiento térmico, sino que también reduce la huella, impactando directamente la versatilidad del producto y la capacidad de respuesta al mercado.
Envíe una consulta, responderemos de inmediato.
en 29/10/2024
en 29/10/2024
en 18/04/8000 147760
en 18/04/2000 111970
en 18/04/1600 111351
en 18/04/0400 83741
en 01/01/1970 79525
en 01/01/1970 66934
en 01/01/1970 63084
en 01/01/1970 63025
en 01/01/1970 54092
en 01/01/1970 52166