El 2N6488 El transistor, mantenido dentro de un estuche de plástico TO20, se reconoce por su uso confiable en la configuración de potencia lineal y de baja frecuencia.Este paquete se favorece en la industria, fusionando la practicidad y la eficiencia, adecuada para diversas situaciones.El diseño admite una disipación de calor eficiente, influyendo en la durabilidad y la función de los transistores.El 2N6488 prospera en aplicaciones lineales de potencia debido a su robusta construcción y capacidades térmicas.Asegura la gestión constante de corriente y voltaje para la estabilidad en los circuitos.Esta fiabilidad brilla en los amplificadores de audio y las fuentes de alimentación reguladas, donde se necesita manejo de cargas variables sin perder el rendimiento.
En las tareas de baja frecuencia, el 2N6488 demuestra una adaptabilidad y rendimiento impresionantes.Su capacidad para manejar señales con una distorsión mínima resalta su fuerza.La gestión de la salida térmica es central cuando se trabaja con el 2N6488.El uso de disipadores de calor efectivos y compuestos térmicos ayuda a optimizar la transferencia de calor.Estos son necesarios para evitar el sobrecalentamiento, lo que puede afectar la funcionalidad y disminuir la vida útil del componente.Una vista emergente en el campo está adaptando componentes tradicionales como el 2N6488 para usos innovadores.A medida que la tecnología avanza, incorporarlos a sistemas híbridos y eficientes en energía es tendencia.Este método aprovecha la confiabilidad establecida del 2N6488 al tiempo que aborda las necesidades modernas de sostenibilidad y eficiencia energética.
• 2n60
• 2N600
• 2N6000
• 2N6001
• 2N6002
• 2N6491




El transistor 2N6488 cuenta con una notable ganancia de corriente de DC junto con un impresionante ancho de banda.Estas cualidades elevan su efectividad en escenarios que exigen amplificación de audio de alta fidelidad y operaciones de conmutación suaves.Muchos a menudo se deleitan en aprovechar estos atributos para minimizar la distorsión de la señal en sistemas complejos, asegurando claridad y precisión.
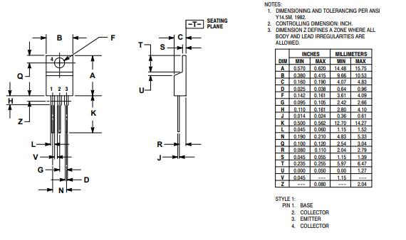
Encerrado en un paquete simplificado a 220, el 2N6488 promueve la eficiencia térmica y la instalación directa.Su estructura facilita la disipación de calor para evitar el sobrecalentamiento en aplicaciones de alta potencia.Muchos prefieren este paquete para su manejo experto de calor y forma compacta.
El 2N6488 se ajusta a los estándares de ROHS, destacando un diseño considerado del bienestar ambiental al minimizar las sustancias dañinas.Con una creciente importancia en la innovación contemporánea de productos, esta alineación complementa los objetivos ecológicos globales.
Ofreciendo un voltaje de descomposición del emisor colector de 80V, el 2N6488 se mantiene resistente en la configuración de alto voltaje.Esta característica gana aprecio cuando el rendimiento confiable bajo presión es imprescindible.La industria frecuentemente selecciona dichos componentes para su capacidad para soportar variaciones de voltaje sustanciales.
El transistor 2N6488 se destaca en los sistemas de audio donde juega un papel en la amplificación de potencia.Proporciona un rendimiento notable al impulsar los altavoces y los componentes de audio al administrar eficientemente los niveles de corriente y voltaje.Esto asegura una salida de sonido que sea clara y libre de distorsión.El audio a menudo favorece a los transistores como el 2N6488 para la creación de circuitos de amplificador AB de clase.Aprecian su capacidad para ofrecer una estabilidad térmica consistente y disipar eficientemente el calor, mejorando la calidad de audio.
Exhibiendo robustez en tareas de conmutación de baja frecuencia, la versatilidad del 2N6488 se hace evidente.A menudo se utiliza en circuitos que requieren un control preciso, como los controladores de motores y otros sistemas electromecánicos.Muchas opciones por transistores como el 2N6488 pueden lograr un rendimiento estable en entornos donde la confiabilidad a largo plazo es una consideración principal.
|
Tipo |
Parámetro |
|
Estado del ciclo de vida |
Obsoleto (último actualizado: hace 3 días) |
|
Paquete / estuche |
A 220B |
|
Paquete de dispositivos de proveedor |
A 220B |
|
Colector de corriente (IC) (Max) |
15A |
|
Temperatura de funcionamiento |
-65 ° C a 150 ° C TJ |
|
Publicado |
2007 |
|
Nivel de sensibilidad de humedad (MSL) |
1 (ilimitado) |
|
Min Temperatura de funcionamiento |
-65 ° C |
|
Disipación de potencia máxima |
1.8w |
|
Número de pieza base |
2N6488 |
|
Configuración de elementos |
Soltero |
|
Ganar producto de ancho de banda |
5MHz |
|
Voltaje del emisor de colección (VCEO) |
3.5V |
|
DC Current Gane (HFE) (Min) @ IC, VCE |
20 @ 5a 4V |
|
VCE Saturation (Max) @ IB, IC |
3.5V @ 5a, 15a |
|
Frecuencia - Transición |
5MHz |
|
Voltaje base del emisor (VEBO) |
5V |
|
Plomo libre |
Contiene plomo |
|
Tipo de montaje |
A través del agujero |
|
Número de alfileres |
3 |
|
Voltaje de descomposición del emisor de colección |
80V |
|
hfe/min |
20 |
|
Embalaje |
Tubo |
|
Estatus de parte |
Obsoleto |
|
Temperatura de funcionamiento máxima |
150 ° C |
|
Voltaje - DC clasificado |
80V |
|
Calificación actual |
15A |
|
Polaridad |
NPN |
|
Potencia - Max |
1.8w |
|
Tipo de transistor |
NPN |
|
Actual de colección máxima |
15A |
|
Actual - Corte de colección (Max) |
1mera |
|
Voltaje - Desglose del emisor del colector (máximo) |
80V |
|
Voltaje base de colección (VCBO) |
90V |
|
Estado de ROHS |
No compatible |
|
Parte
Número |
Fabricante |
Paquete |
Polaridad |
Desglose del emisor de coleccionistas
Voltaje |
Voltaje - Emisor colector
Desglose (máximo) |
Actual de colección máxima |
Transición de frecuencia |
Saturación del emisor de colección
Voltaje |
hfe min |
|
2N6488 |
En semiconductor |
A 220-3 |
NPN |
80 V |
80V |
15 A |
5MHz |
3.5 V |
20 |
|
Bd243b |
En semiconductor |
A 220-3 |
NPN |
80 V |
80V |
3 A |
3MHz |
1.2 V |
25 |
|
TIP31B |
En semiconductor |
A 220-3 |
NPN |
80 V |
80V |
6 A |
- |
1.5 V |
15 |
|
BDW42 |
En semiconductor |
A 220-3 |
NPN |
100 V |
- |
15 A |
4MHz |
- |
- |

En Semiconductor ofrece soluciones que son innovadoras y conscientes del uso de energía, creando una posición de liderazgo en electrónica.Su extenso alcance en todo el mundo respalda diversas aplicaciones, incluidas la electrónica automotriz, industrial y de consumo.Esta amplia influencia mantiene a la compañía al frente del progreso tecnológico.Mientras miramos hacia adelante, reflexionar sobre cómo en semiconductores puede equilibrar la innovación continua con la sostenibilidad es intrigante.Esta interacción del rápido crecimiento tecnológico y la administración ambiental plantea obstáculos y nuevos caminos.La destreza de la firma en el pronóstico y la adaptación a futuras tendencias de la industria dará forma a su éxito a largo plazo.
Múltiples dispositivos 19/jun/2009.pdf
TIP31 (A, B, C), TIP32 (A, B, C) .pdf
Envíe una consulta, responderemos de inmediato.
en 29/10/2024
en 29/10/2024
en 18/04/8000 147757
en 18/04/2000 111936
en 18/04/1600 111349
en 18/04/0400 83721
en 01/01/1970 79508
en 01/01/1970 66909
en 01/01/1970 63045
en 01/01/1970 63012
en 01/01/1970 54081
en 01/01/1970 52125