




El ATMEGA16U2 es un microcontrolador de 8 bits conocido por su bajo consumo de energía y adaptabilidad debido a la arquitectura RISC mejorada AVR.Este diseño permite que se procesen instrucciones complejas dentro de un solo ciclo de reloj, lo que permite un rendimiento impresionante que puede alcanzar aproximadamente 1 MIP por MHz.Este equilibrio de eficiencia energética y velocidad de procesamiento facilita diversas aplicaciones, especialmente cuando minimizar el uso de energía es una prioridad.
Explorando aún más la arquitectura, la capacidad del AVR para la ejecución de instrucciones de un solo ciclo le permite escribir un código altamente eficiente.Esto resulta ventajoso en contextos que exigen una rápida toma de decisiones, como sistemas automotrices integrados o controles reales.La simplicidad del conjunto de instrucciones no solo aumenta el rendimiento, sino que también facilita el proceso de programación.En consecuencia, a menudo puede experimentar una curva de aprendizaje más manejable con el ATMEGA16U2, acelerando el ritmo de innovación y creación.
Aquí está la tabla que presenta las especificaciones técnicas, atributos y parámetros para la tecnología de microchip ATMEGA16U2-AU.
|
Tipo |
Parámetro |
|
Tiempo de entrega de fábrica |
10 semanas |
|
Contactor |
Estaño |
|
Montar |
Montaje en superficie |
|
Tipo de montaje |
Montaje en superficie |
|
Paquete / estuche |
32-TQFP |
|
Número de alfileres |
32 |
|
Número de E/S |
22 |
|
Tiempos de vigilancia |
Sí |
|
Temperatura de funcionamiento |
-40 ° C ~ 85 ° C (TA) |
|
Embalaje |
Bandeja |
|
Serie |
AVR® ATMEGA |
|
Publicado |
2007 |
|
Código JESD-609 |
E3 |
|
Código PBFree |
Sí |
|
Estatus de parte |
Activo |
|
Nivel de sensibilidad de humedad (MSL) |
3 (168 horas) |
|
Número de terminaciones |
32 |
|
Posición terminal |
PATIO |
|
Forma terminal |
Ala de la gaviota |
|
Temperatura máxima de reflujo (° C) |
260 |
|
Voltaje de suministro |
5V |
|
Terminal |
0.8 mm |
|
Frecuencia |
16MHz |
|
TIME @ peak reflow temperp (s) |
40 |
|
Número de pieza base |
ATMEGA16U2 |
|
Estado de calificación |
No calificado |
|
Interfaz |
SPI, Serial, Uart, Usart, USB |
|
Tamaño de memoria |
16 kb |
|
Tipo de oscilador |
Interno |
|
Tamaño de la carnero |
512 x 8 |
|
Voltaje - Suministro (VCC/VDD) |
2.7V ~ 5.5V |
|
UPS/UCS/Tipo de ICS periférico |
Microcontrolador, RISC |
|
Procesador central |
AVR |
|
Periféricos |
Detect/reinicio de Brown-Out, POR, PWM, WDT |
|
Tipo de memoria del programa |
DESTELLO |
|
Tamaño de núcleo |
De 8 bits |
|
Tamaño de la memoria del programa |
16kb (8k x 16) |
|
Conectividad |
SPI, Uart/Usart, USB |
|
Tamaño de bit |
8 |
|
Tiene ADC |
No |
|
Canales de DMA |
No |
|
Ancho de bus de datos |
8b |
|
Canales DAC |
No |
|
Número de temporizadores/contadores |
2 |
|
Tamaño de la época |
512 x 8 |
|
Número de canales PWM |
5 |
|
Número de canales SPI |
1 |
|
Altura |
1.05 mm |
|
Longitud |
7 mm mm |
|
Ancho |
7 mm mm |
|
Llegar a SVHC |
Sin SVHC |
|
Estado de ROHS |
ROHS3 Cumplante |
|
Plomo libre |
Plomo libre |
|
Número de parte |
ATMEGA16U2-AU |
AT90USB162-16AUR |
Atmega8u2-au |
Atmega8u2-aur |
|
Fabricante |
Tecnología de microchip |
Tecnología de microchip |
Tecnología de microchip |
Tecnología de microchip |
|
Paquete / estuche |
32-TQFP |
32-TQFP |
32-TQFP |
32-TQFP |
|
Número de alfileres |
32 |
32 |
32 |
32 |
|
Ancho de bus de datos |
8 B |
8 B |
8 B |
8 B |
|
Número de E/S |
22 |
22 |
22 |
22 |
|
Interfaz |
SPI, Serial, Uart, Usart, USB |
Spi, Uart, Usart, USB |
Ebi/EMI, SPI, UART, USART, USB |
Ebi/EMI, SPI, UART, USART, USB |
|
Tamaño de memoria |
16 kb |
8 KB |
16 kb |
8 KB |
|
Voltaje de suministro |
5 V |
5 V |
4.5 V |
- |
|
Periféricos |
Detect/reinicio de Brown-Out, Restablecimiento de encendido, E/S programable |
Detect/reinicio de Brown-Out, Restablecimiento de encendido, E/S programable |
Detect/reinicio de Brown-Out, Restablecimiento de encendido, E/S programable |
Detect/reinicio de Brown-Out, Restablecimiento de encendido, E/S programable |
|
Característica
Categoría |
Detalles |
|
Centro
|
Microcontrolador AVR® de alta potencia de alto rendimiento de 8 bits |
|
Arquitectura |
Arquitectura RISC avanzada |
|
- 125 instrucciones potentes - la mayoría del ciclo de reloj único
Ejecución |
|
|
- 32 x 8 Registros de trabajo de propósito general |
|
|
- Operación totalmente estática |
|
|
- Hasta 16 MIPS WORPUT a 16 MHz |
|
|
Memoria |
-8k/16k/32k bytes de flash autoprogrammable en el sistema |
|
- 512/512/1024 EEPROM |
|
|
- 512/512/1024 SRAM interno |
|
|
- Escribir/borrar ciclos: 10,000 flash/100,000 EEPROM |
|
|
- Retención de datos: 20 años a 85 ° C / 100 años a 25 ° C |
|
|
- Sección opcional del código de arranque con bits de bloqueo independiente |
|
|
-Programación en el sistema por programa de arranque en chip |
|
|
-Operación verdadera de lectura y escritura |
|
|
- Bloqueo de programación para la seguridad del software |
|
|
Módulo USB |
- Módulo de dispositivo USB 2.0 de forma completa |
|
- Cumple completamente con la especificación de Bus Universal BUS
Rev 2.0 |
|
|
- 48 MHz PLL para operación de bus de toda la velocidad (12 Mbit/s) |
|
|
- 176 bytes USB DPRAM para la asignación de memoria de punto final |
|
|
- punto final 0 para transferencias de control (8 a 64 bytes) |
|
|
- 4 puntos finales programables |
|
|
- Direcciones de entrada o salida |
|
|
- transferencias a granel, interrupción e isócrona |
|
|
- Tamaño de paquete máximo programable (8 a 64 bytes) |
|
|
- Buffer simple o doble programable |
|
|
- suspender/reanudar interrupciones |
|
|
- Restablecimiento del microcontrolador en el reinicio del bus USB |
|
|
- Desconexión del bus USB en la solicitud de microcontrolador |
|
|
Características periféricas |
- Un temporizador/contador de 8 bits con preescalador separado y
Modo de comparación (dos canales PWM de 8 bits) |
|
- Un temporizador/contador de 16 bits con preescalador, comparar y
Modo de captura (tres canales PWM de 8 bits) |
|
|
- Usart con modo maestro SPI y flujo de hardware
Control (RTS/CTS) |
|
|
- Interfaz serial SPI maestro/esclavo |
|
|
- Temporizador de vigilancia programable con separado en chip
Oscilador |
|
|
- Comparador analógico en chip |
|
|
- interrumpir y despertar en el cambio de pin |
|
|
Depuración |
Interfaz de depuración en chip (debugwire) |
|
Características especiales |
-Restablecimiento de encendido y detección de marrón programable |
|
- oscilador calibrado interno |
|
|
- Fuentes de interrupción externas e internas |
|
|
-Cinco modos de sueño: inactivo, encendido, potencia, apagado,
En espera y en espera extendida |
|
|
E/S y paquetes |
- 22 líneas de E/S programables |
|
- PABACTOS QFN32 (5X5MM) / TQFP32 |
|
|
Voltaje de funcionamiento |
2.7 - 5.5V |
|
Temperatura de funcionamiento |
Industrial (-40 ° C a +85 ° C) |
|
Frecuencia máxima |
- 8 MHz a 2.7V (gama industrial) |
|
- 16 MHz a 4.5V (gama industrial) |

El microcontrolador ATMEGA16U2 se destaca por su notable eficiencia energética, ofreciendo una alta funcionalidad mientras consume energía mínima.Esta calidad lo hace excepcionalmente adecuado para dispositivos portátiles y operados por baterías, que atienden a aquellos que valoran la longevidad y la conveniencia.Basado en la tecnología de memoria de vanguardia, el microcontrolador apunta a un rendimiento óptimo con énfasis en reducir la pérdida de potencia innecesaria.Dicha característica es principalmente atractiva para aplicaciones que requieren operaciones duraderas, lo que permite que los dispositivos funcionen durante largos períodos sin la molestia de recarga frecuente o fuentes de energía cambiantes.
El apoyo para el desarrollo impulsado por la comunidad agrega otra capa convincente a las ventajas del ATMEGA16U2.Equipado con un sólido gestor de arranque, el sistema permite actualizaciones sin problemas para las aplicaciones, asegurando que las operaciones en curso no se interrumpan.Una comunidad global vibrante alimenta un extenso ecosistema de bibliotecas de software y herramientas de desarrollo, acelerando el proceso de prototipos y el despliegue de soluciones innovadoras.Este entorno colaborativo fomenta el intercambio de conocimientos y recursos, proporcionando percepciones cotidianas que enriquecen y elevan el desarrollo de aplicaciones.
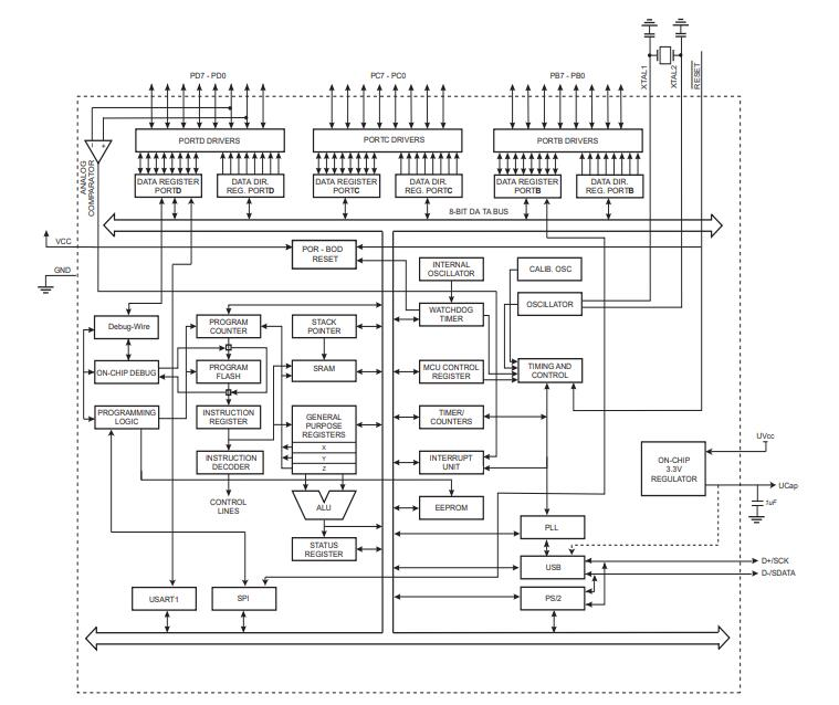
En el núcleo del ATMEGA16U2 se encuentra una CPU RISC integrada junto con la memoria flash ISP, otorgándole una versatilidad inigualable que atiende a una amplia gama de sistemas integrados.Esta integración permite al microcontrolador emprender tareas informáticas complejas al tiempo que garantiza una programación y ejecución directas.La arquitectura está específicamente diseñada para gestionar operaciones y multitarea computacionalmente exigentes, que juegan un papel dinámico en diversas aplicaciones, que se extiende por la electrónica de consumo que mejoran las experiencias diarias a la automatización industrial que impulsa la eficiencia y la productividad en la fuerza laboral.

Microchip Technology Inc. emerge como una fuerza prominente en las soluciones de control integradas, lo que refleja una dedicación a la innovación que va más allá de su amplia selección de herramientas y ofertas de desarrollo.La organización cuenta con una infraestructura resistente diseñada para procesos de diseño simplificados, facilitando efectivamente la implementación de productos en una variedad de sectores.Operando desde su sede en Chandler, Arizona, Microchip atiende con orgullo a más de 120,000 clientes a nivel mundial, destacando su influencia y reputación sustancial en numerosas industrias.
El panorama del control integrado se ha transformado intensamente, con empresas innovadoras como Microchip liderando la carga en estos pasos tecnológicos.Su cartera diversa abarca microcontroladores, así como una amplia selección de periféricos, todos destinados a aumentar las capacidades generales del sistema.Esta rica colección le permite personalizar soluciones adaptadas a sus necesidades específicas, allanando el camino para el desarrollo de aplicaciones que abarcan un amplio espectro, desde electrónica de consumo hasta automatización industrial.
Envíe una consulta, responderemos de inmediato.
El ATMEGA16U2 es un microcontrolador CMOS de baja potencia y 8 bits construido sobre la arquitectura RISC mejorada con AVR.Este diseño se elabora con precisión para maximizar la eficiencia energética y la velocidad de procesamiento, logrando cerca de 1 MIP por MHz.Su arquitectura se presta a aplicaciones versátiles en varios campos, desde sistemas integrados hasta dispositivos IoT.En particular, el eficiente consumo de energía del ATMEGA16U2 juega un papel sustancial en la prolongación de la vida útil de los dispositivos operados por baterías.La interacción entre el rendimiento y la eficiencia energética refleja tendencias más amplias en la tecnología de microcontroladores, donde el objetivo es reducir el uso de energía sin comprometer la velocidad.Este equilibrio puede influir en las prácticas de diseño modernas, especialmente en términos de sostenibilidad.
El dispositivo presenta 32 pines dedicados a una amplia gama de funciones de entrada/salida.Estos pines son interfaces activas para vincular el microcontrolador con otros componentes, incluidos sensores y actuadores.Tener una configuración de PIN bien pensada puede mejorar significativamente el diseño de sistemas complejos, lo que lleva a una mejor eficiencia operativa.Por ejemplo, la asignación estratégica de PIN permite la multitarea perfecta y aumenta la capacidad de respuesta general del sistema.La experiencia muestra que centrarse en las asignaciones de PIN al principio del proceso de desarrollo puede evitar posibles limitaciones de diseño, enfatizando la planificación reflexiva durante la ejecución del proyecto.
El ATMEGA16U2 está respaldado por una colección diversa de herramientas de desarrollo, que incluyen compiladores C, depuradores, emuladores de circuito y kits de evaluación que ayudan en el desarrollo de programas y sistemas.La utilización de estos recursos puede acelerar considerablemente la línea de tiempo de desarrollo y aumentar la productividad, fomentando un enfoque de diseño iterativo.Noteworthy es el uso práctico de estas herramientas en la depuración y la optimización del código, una estrategia que ha demostrado ser utilizada para administrar las complejidades de la programación integrada.La sinergia de recursos de software y hardware enfatiza un enfoque de desarrollo integral, donde el uso de amplios conjuntos de herramientas conduce a soluciones innovadoras y efectivas.Adoptar tales prácticas puede profundizar la comprensión del rendimiento del sistema y allanar el camino para futuros avances en el diseño de tecnología.
en 15/11/2024
en 15/11/2024
en 18/04/8000 147757
en 18/04/2000 111932
en 18/04/1600 111349
en 18/04/0400 83719
en 01/01/1970 79508
en 01/01/1970 66894
en 01/01/1970 63010
en 01/01/1970 62996
en 01/01/1970 54081
en 01/01/1970 52113